TP型平面包絡環(huán)面蝸桿減速機(JB/T9051-1991)為平面一次包絡蝸桿減速機傳動。中心距:100、125、160、200、250、315、400、500。速比:10、12.5、16、20、25、31.5、40、50、60。平面環(huán)面包絡蝸桿減速機是一種新興的傳動裝置,其承載能力大,傳動效率高,結構緊湊、合理。這種蝸輪減速機可以廣泛地應用于各種傳動機械中的減速傳動,如冶金、礦產、起重、化工、建筑、橡塑、船舶等行業(yè)以及其它機械設備上,適用工作環(huán)境溫度為-40℃~+40℃,輸入軸轉速不大于1500轉/分,蝸桿軸可正反兩方向旋轉。此減速機是按照中華人民共和國機械行業(yè)標準JB/T9051——1999《平面包絡環(huán)面蝸桿減速機》設計制造。
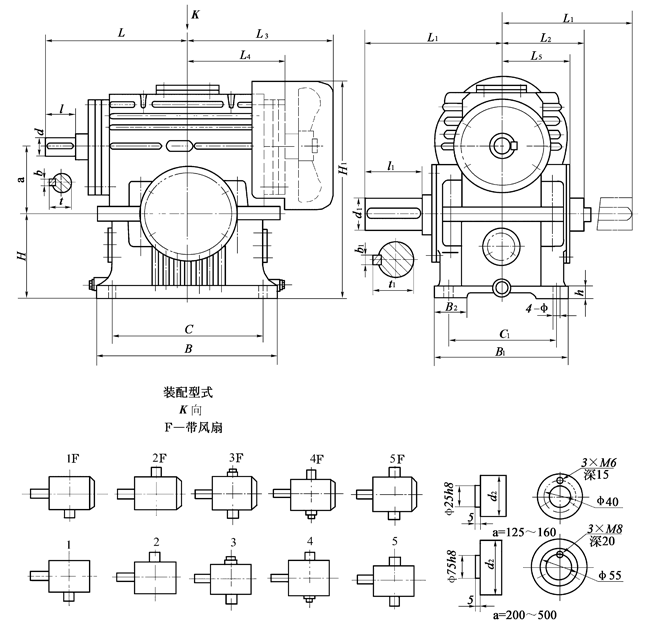
型號與標記示例
1 型號

2 標記示例
例 蝸桿在蝸輪之下, 中心距為200mm, 公稱傳動比為10, 第二種裝配型式, 有風扇冷卻的平面
包絡環(huán)面蝸桿減速器:
減速器 TPU200 - 10 - 2F JB/T 9051—1999
中心距a (mm)
| 型號 | 中心距a | |||||||||||||
| TPG | 第一系列 | 80 | 100 | — | — | — | — | — | — | — | — | — | — | — |
| 第二系列 | — | — | — | — | — | — | — | — | — | — | — | — | — | |
| TPU | 第一系列 | 125 | — | 160 | — | 200 | — | 250 | — | 315 | — | 400 | — | 500 |
| 第二系列 | — | 140 | — | 180 | — | 224 | — | 280 | — | 355 | — | 450 | — | |
| TPS | 第一系列 | 125 | — | 160 | — | 200 | — | 250 | — | 315 | — | 400 | — | 500 |
| 第二系列 | — | 140 | — | 180 | — | 224 | — | 280 | — | 355 | — | 450 | — | |
| TPA | 第一系列 | 125 | — | 160 | — | 200 | — | 250 | — | 315 | — | 400 | — | 500 |
| 第二系列 | — | 140 | — | 180 | — | 224 | — | 280 | — | 355 | — | 450 | — | |
| 型 號 | TPG TPU TPS TPA | ||||||||
| 公稱傳動比i | 10 | 12.5 | 16 | 20 | 25 | 31.5 | 40 | 50 | 63 |

| 型號 | a | B | B1 | B2 | C | C1 | H | H1 | h | L | L1 | L2 | L3 | L4 | L5 | l | l1 | d | d1 | d2 | b | b1 | t | t 1 | Ф | 質量(kg) |
| TPA125 | 125 | 360 | 300 | 50 | 310 | 250 | 180 | 438 | 30 | 307 | 320 | 185 | 280 | 217 | 175 | 82 | 140 | 40 | 70 | 80 | 12 | 20 | 43 | 74.5 | 19 | 165 |
| TPA160 | 160 | 460 | 320 | 80 | 400 | 260 | 225 | 550 | 40 | 375 | 375 | 210 | 365 | 280 | 190 | 82 | 170 | 50 | 85 | 95 | 14 | 25 | 53.5 | 90 | 24 | 285 |
| TPA200 | 200 | 540 | 400 | 100 | 450 | 320 | 250 | 658 | 40 | 420 | 400 | 265 | 436 | 345 | 224 | 82 | 170 | 55 | 95 | 110 | 16 | 28 | 59 | 101 | 28 | 510 |
| TPA250 | 250 | 720 | 480 | 120 | 620 | 380 | 315 | 792 | 50 | 530 | 495 | 290 | 520 | 406 | 270 | 105 | 210 | 65 | 120 | 140 | 18 | 32 | 69 | 127 | 35 | 900 |
| TPA315 | 315 | 850 | 600 | 140 | 750 | 500 | 400 | 1000 | 65 | 630 | 600 | 360 | 605 | 492 | 345 | 130 | 250 | 80 | 140 | 160 | 22 | 36 | 85 | 148 | 39 | 1250 |
| TPA400 | 400 | 950 | 720 | 170 | 850 | 620 | 500 | 1200 | 75 | 720 | 720 | 425 | 690 | 540 | 410 | 165 | 300 | 100 | 180 | 200 | 28 | 45 | 106 | 190 | 48 | 2300 |
| TPA500 | 500 | 1180 | 900 | 200 | 1040 | 760 | 630 | 1530 | 90 | 850 | 840 | 495 | 845 | 680 | 488 | 165 | 350 | 110 | 200 | 240 | 32 | 45 | 117 | 210 | 56 | 3700 |

冀公網安備13092802000153號