一、概述
圓弧齒圓柱蝸桿減速器,符合部頒標準JB2318-79,達到標準化、系列化的要求。適用于冶金、礦山、起重、運輸、化工、建筑等各種機械設備的減速傳動。本系列減速器輸入功率范圍在0.4-163KW之間;輸入扭矩在11-2600kgf·m之間,輸入軸轉數一般不大于1500轉/分;高速軸可正反兩向運轉;工作環境溫度低于0℃時,起動前潤滑油必須加溫到0℃以上。


|
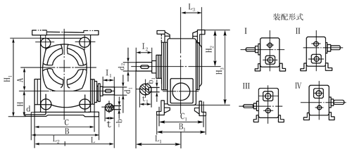
型號
尺寸
|
A
|
B
|
B1
|
C
|
C1
|
H
|
H1
|
H2
|
H3
|
L
|
L1
|
L2
|
L3
|
d
|
d1(gc1)
|
d2(gc2)
|
b
|
b1
|
t
|
t1
|
l1
|
l2
|
重量/kg
|
|
WHT42
|
42
|
145
|
125
|
120
|
105
|
71
|
190
|
77
|
173
|
118.5
|
123
|
73.5
|
52.5
|
M9
|
16
|
20
|
6
|
6
|
18.8
|
22.8
|
35
|
38
|
8
|
|
WHT65
|
65
|
180
|
156
|
155
|
126
|
63
|
215
|
105
|
215
|
144
|
124
|
96
|
64
|
M9
|
20
|
25
|
6
|
8
|
22.8
|
28.3
|
40
|
45
|
16
|
|
WHT80
|
80
|
240
|
182
|
210
|
148
|
88
|
278
|
122
|
279
|
180
|
166
|
111
|
71
|
M12
|
25
|
35
|
8
|
10
|
28.3
|
38.3
|
42
|
58
|
27~28
|
|
WHT100
|
100
|
290
|
216
|
256
|
176
|
100
|
331
|
142
|
331
|
215
|
192
|
132
|
86
|
M15
|
30
|
45
|
8
|
14
|
33.5
|
48.8
|
58
|
82
|
42~44
|

|
型號
尺寸
|
A
|
B
|
B1
|
C
|
C1
|
H
|
L
|
L1
|
L2
|
L3
|
L4
|
L5
|
|
|
d
|
d1(gc1)
|
b2(gc1)
|
b
|
b1
|
t
|
t1
|
重量/kg
|
|
WHT42
|
42
|
146
|
135
|
140
|
115
|
66.5
|
118.5
|
123
|
73.5
|
52.5
|
66
|
73
|
|
M9
|
16
|
20
|
6
|
6
|
18.8
|
22.8
|
8
|
|
|
WHT65
|
65
|
204
|
180
|
177
|
160
|
78
|
144
|
134
|
96
|
63
|
90
|
110
|
|
|
M9
|
20
|
25
|
6
|
8
|
22.8
|
28.3
|
16
|
|
WHT80
|
80
|
244
|
240
|
210
|
210
|
105
|
180
|
168
|
111
|
71
|
110
|
152
|
|
|
M12
|
25
|
35
|
8
|
10
|
28.3
|
38.3
|
27~28
|
|
WHT100
|
100
|
206
|
290
|
256
|
256
|
116
|
215
|
194
|
132
|
86
|
131
|
184
|
|
|
M15
|
30
|
45
|
8
|
14
|
33.3
|
48.8
|
42~44
|

冀公網安備13092802000153號